电话: 152 3172 9568
美标软密封闸阀
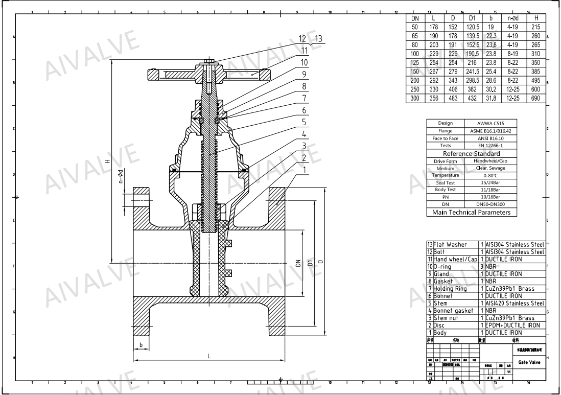
Technical Parameters

Product Description
美标铸铁闸阀(符合API、ANSI等标准)以高可靠性及广泛适用性成为工业管道系统的核心组件,其优点主要包括:
1. 高强度材质:采用A48/A126标准球墨铸铁,兼具耐腐蚀性、耐磨性和抗压强度,适应水、蒸汽、油品及弱腐蚀性介质;
2. 严苛密封性能:阀座与闸板采用弹性密封(如NBR、EPDM)或金属硬密封设计,适应-20℃至300℃温度范围及高压工况(如Class 150/300),有效防止内漏;
3. 低流阻高效流通:全通径流道设计减少流体阻力,保障高流量效率,降低能耗;
4. 结构稳定耐用:阀杆经镀铬或氮化处理防腐蚀,填料函结构优化,确保长期启闭密封性及操作顺滑;
5. 标准化兼容性:符合ASME B16.10/34等标准,法兰连接尺寸与美标体系无缝兼容,便于全球项目安装与替换;
6. 操作灵活:支持手动轮盘、齿轮箱或电动/气动执行器驱动,满足不同工况自动化需求;
7. 维护便捷:模块化阀盖与可更换阀座设计,降低维修成本,延长使用寿命;
8. 经济实用:铸铁材料成本低,工艺成熟,兼具批量生产优势与长周期使用性价比。
美标铸铁闸阀凭借高密封性、强适应性及标准化优势,广泛应用于石油化工、电力、市政供水等高温高压或高频率操作场景。
相关产品
我们的优势
联系我们
我们的团队在项目的每个阶段都与您合作。
导航
导航
联系我们
专家阀门建议 直接发送到您的邮箱
我们将通过电子邮件向您发送专门为您量身定制的计划。