电话: 152 3172 9568

Product Description
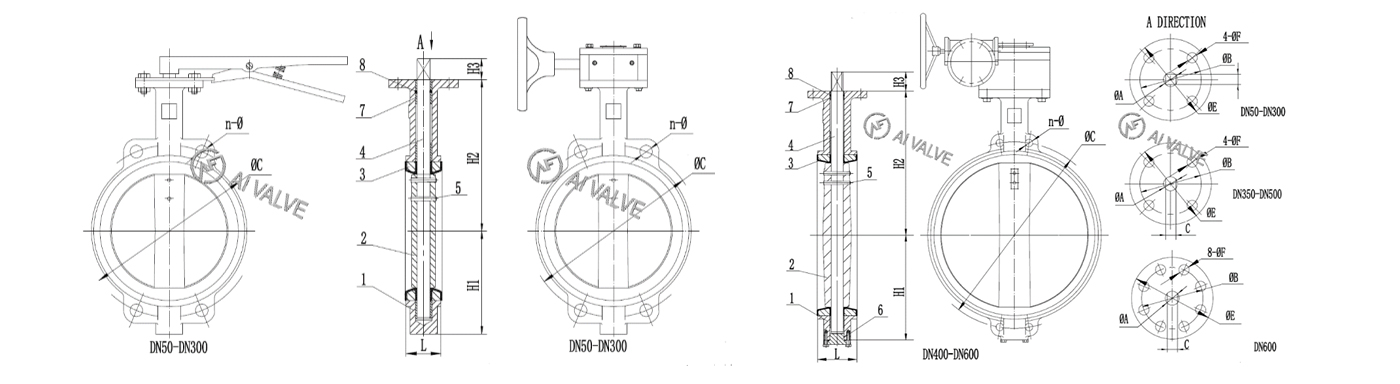
一、结构与安装
结构特点:
蝶板为圆盘形,沿管道直径方向安装,阀体为圆柱形通道,蝶板绕轴线旋转(0°~90°)。
水平安装为主,结构简单紧凑,零件少,体积小、重量轻。
连接方式:
对夹式:通过双头螺栓夹紧在两管道法兰之间,节省安装空间。
二、操作与性能
启闭特性:
旋转90°即可快速启闭,操作便捷;全开时仅蝶板厚度形成阻力,压降小,流量控制性能优异。
适用场景:
多用于石油、煤气、化工、水处理及热电站冷却水系统,尤其适合大口径管道。
三、密封型式
弹性密封:
密封圈材质为合成橡胶或聚四氟乙烯(PTFE),可镶嵌于阀体或蝶板周边。
优点:密封性好;缺点:耐温性有限(受材质限制)。
金属密封:
采用不锈钢等金属材料,耐高温、寿命长,但完全密封难度较高。
我们的优势
联系我们
我们的团队在项目的每个阶段都与您合作。
导航
导航
联系我们
专家阀门建议 直接发送到您的邮箱
我们将通过电子邮件向您发送专门为您量身定制的计划。