电话: 152 3172 9568
Technical Parameters



Product Description
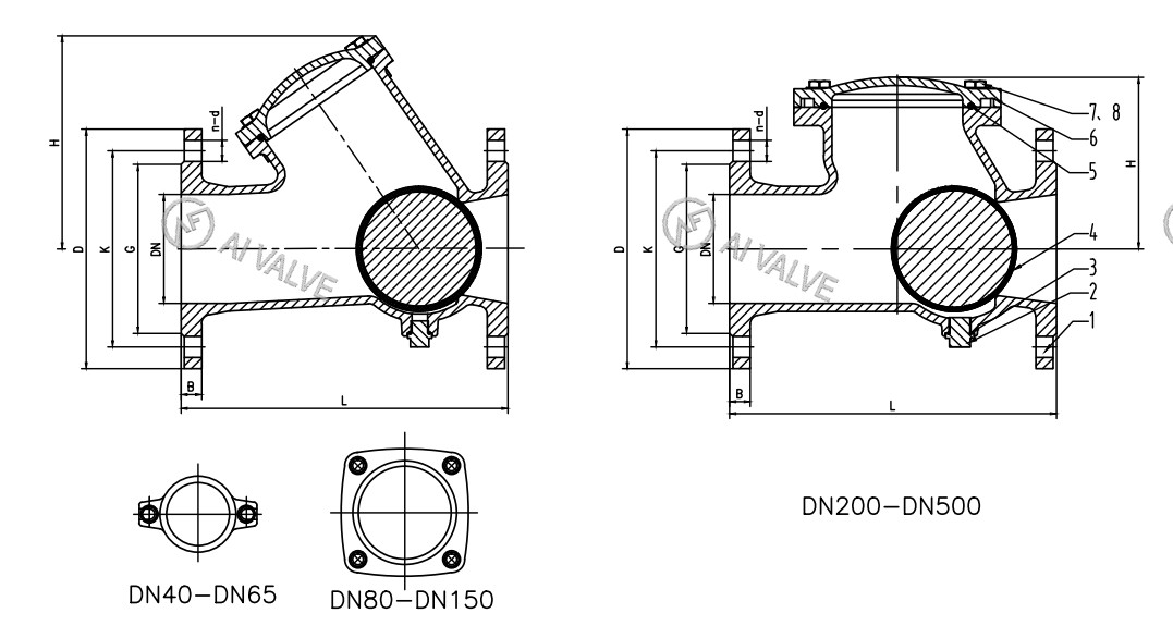
球形止回阀是一种采用多球、多流道、多锥型倒流体结构的止回阀。
主要由前后阀体、胶球、锥型体等组成。
其工作原理是:胶球在球罩内作短行程滚动来实现阀门的启闭。当水
泵开动时,水在压力的作用下冲开胶球,使胶球滚至右侧,然后阀体中的
锥形体固定其位置,止回阀开启;泵停后,由于管路系统中的回水压力,
迫使胶球滚至左侧前阀体,达到止回阎的关闭。胶球采用空心钢球,外附
弹性很好的橡胶既保证密封,又能保证减小关阀过程中对管道系统的破
坏。带孔的锥型体在阀门打开时对钢球起固定作用和消除胶球与锥型体接
触面积的压强,使其接触为面接触,减小胶球在阀体内的颤抖引起的水力
损失。
节构组成:前后阀体+空心钢芯橡胶球+带孔锥型体
工作原理:介质压力推动胶球滚动开启,回水压力反向滚动闭锁
技术优势:
1. 弹性密封:橡胶包覆钢球实现零泄漏(密封比压≥0.6MPa)
2. 动态缓冲:锥型体孔洞设计使接触面压强降低80%
3. 水力优化:面接触结构减少湍流损失(压降≤0.02bar)
4. 抗冲击:滚动闭阀机制可削弱90%水锤压力波
适用场景:水泵出口、水处理循环系统等需快速响应防倒流工况
我们的优势
联系我们
我们的团队在项目的每个阶段都与您合作。
导航
导航
联系我们
专家阀门建议 直接发送到您的邮箱
我们将通过电子邮件向您发送专门为您量身定制的计划。