电话: 152 3172 9568
Technical Parameters

Product Description
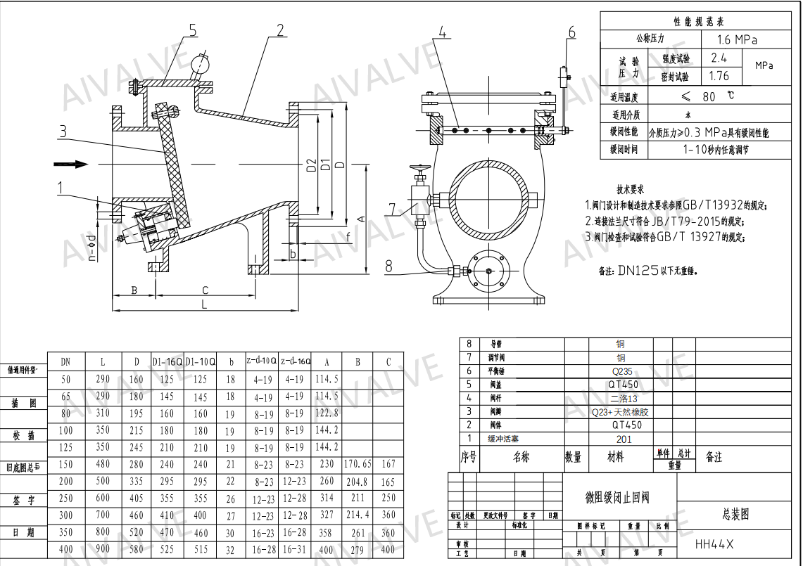
微阻止回阀是一种特殊设计的止回阀,主要用于防止介质倒流的同时,
优化流体阻力并减少水锤效应对管道的冲击。缓闭结构阀瓣分为主阀瓣和辅助缓闭组件,
主阀瓣快速关闭切断大部分流量,辅助组件延迟闭合以缓冲压力。
低阻力流道流线型阀体设计,减少流体通过时的压降和能量损失。
微阻止回阀通过优化关闭速度和流道设计,
平衡了防倒流功能与系统安全性,是解决水锤问题和节能降耗的理想选择。
我们的优势
联系我们
我们的团队在项目的每个阶段都与您合作。
导航
导航
联系我们
专家阀门建议 直接发送到您的邮箱
我们将通过电子邮件向您发送专门为您量身定制的计划。