电话: 152 3172 9568
Technical Parameters





Product Description
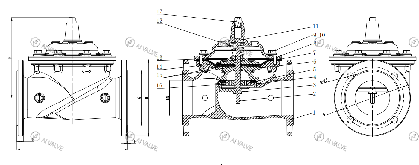
该阀由主阀及外装导向阀组成。它是利用浮球在水中由于液面的变化连动导向阀,使主阀供水和关闭,从而把水池(箱)以及水塔的水位控制在一定范围之内,防止溢流和水位过
低。该阀适用于工矿企业、民用建筑中各种水池(箱)、水塔的自动供水系统。亦用于常压锅炉循环供术系统。主阀快开缓闭,不产生水锤,密封严密,绝无淹水之虞。
性能特点:
1.结构新颖合理
2.工作平稳可靠、流量大
3.阀瓣快开慢闭、无水锤冲击(关闭时间可调)
4.止回密封效果好、使用寿命时间长
5.安装维修方便
我们的优势
联系我们
我们的团队在项目的每个阶段都与您合作。
导航
导航
联系我们
专家阀门建议 直接发送到您的邮箱
我们将通过电子邮件向您发送专门为您量身定制的计划。